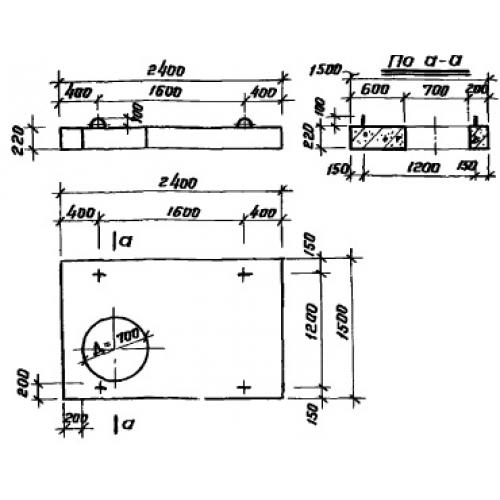
КЦП 24-15

Чертеж изделия:
Характеристики изделия:
ПараметрЗначение
длина2400 мм
ширина1500 мм
высота220 мм
вес1811 кг
серияТП 902-9-1.

КЦП 24-15 Плиты перекрытия ливневой канализации по проекту ТП 902-9-1.