ПС 300-360-35
Характеристики изделия:
| Параметр | Значение |
|---|---|
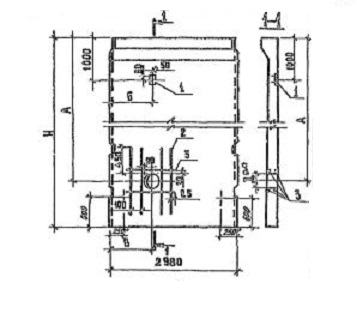
| длина | 2980 мм |
| ширина | 350 мм |
| высота | 3600 мм |
| масса | 4830 кг |
| нормативный документ | ТП 901-4-63.83 |
Цена:
Рассчитать стоимостьПС 300-360-35 Панели стеновые по Типовому проекту ТП 901-4-63.83.
| Параметр | Значение |
|---|---|
| длина | 2980 мм |
| ширина | 350 мм |
| высота | 3600 мм |
| масса | 4830 кг |
| нормативный документ | ТП 901-4-63.83 |
ПС 300-360-35 Панели стеновые по Типовому проекту ТП 901-4-63.83.