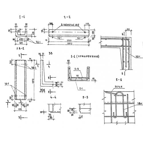
ЛБ-2

Чертеж изделия:
Характеристики изделия:
ПараметрЗначение
длина2970 мм
ширина610 мм
высота230 мм
вес500 кг
серияТП 320-55

ЛБ-2 Лотки железобетоные. Малые архитектурные формы и элементы благоустройства улиц, дорог, площадей по серии ТП 320-55.