ПСТ 69.9.3.5

Чертеж изделия:
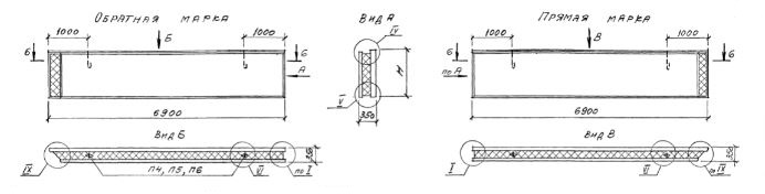
Характеристики изделия:
ПараметрЗначение
длина6900 мм
ширина350 мм
высота885 мм
масса2390 кг
нормативный документШифр М25.13/98

ПСТ 69.9.3.5 Панели стеновые трёхслойные по Шифру М25.13/98.