СТ 6

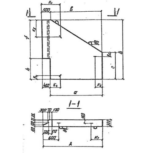
Чертеж изделия:
Характеристики изделия:
ПараметрЗначение
длина2200 мм
ширина300 мм
высота2470 мм
масса2900 кг
нормативный документШифр 2175РЧ

СТ 6  Стенки откосные по Шифру 2175РЧ.