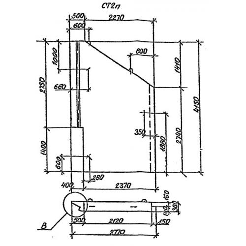
СТ 2

Чертеж изделия:
Характеристики изделия:
ПараметрЗначение
длина2770 мм
ширина300 мм
высота4150 мм
масса6500 кг
нормативный документШифр 2175РЧ

СТ 2  Стенки откосные по Шифру 2175РЧ.