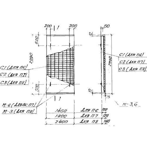
П 6 плиты перекрытия

Чертеж изделия:
Характеристики изделия:
ПараметрЗначение
длина2990 мм
ширина1450 мм
высота100 мм
масса1080 кг
нормативный документСерия ИС 01-04

П 6 Плиты перекрытия  по Серии ИС 01-04.