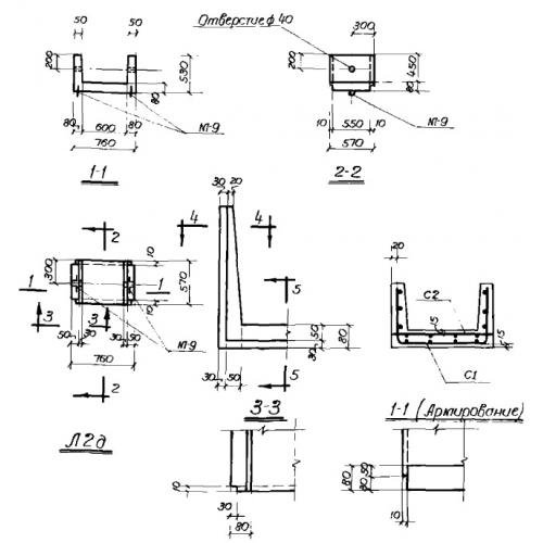
Л 2 д лотки доборные
Характеристики изделия:
| Параметр | Значение |
|---|---|
| длина | 760 мм |
| ширина | 570 мм |
| высота | 530 мм |
| масса | 180 кг |
| нормативный документ | Серия ИС 01-04 |
Цена:
Рассчитать стоимостьЛ 2 д Железобетонные лотки доборные по Серии ИС 01-04.
| Параметр | Значение |
|---|---|
| длина | 760 мм |
| ширина | 570 мм |
| высота | 530 мм |
| масса | 180 кг |
| нормативный документ | Серия ИС 01-04 |
Л 2 д Железобетонные лотки доборные по Серии ИС 01-04.
