НБК-3.0

Чертеж изделия:
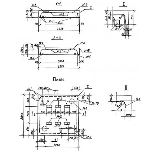
Характеристики изделия:
ПараметрЗначение
длина3260 мм
ширина3260 мм
высота530 мм
масса5400 кг
нормативный документСерия 3.903 КЛ-13

НБК-3.0 Нижние блоки камер по Серии 3.903 КЛ-13.