ДП

Чертеж изделия:
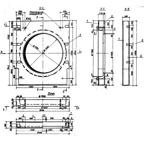
Характеристики изделия:
ПараметрЗначение
длина2400 мм
ширина300 мм
высота2900 мм
масса2930 кг
нормативный документСерия 3.820-6

ДП  Диафрагмы для переездов с портальными оголовками по Серии 3.820-6.