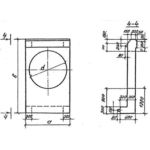
СТ 13 Стенка портальная

Чертеж изделия:
Характеристики изделия:
ПараметрЗначение
длина3570 мм
ширина2100 мм
высота680 мм
масса4900 кг
нормативный документСерия 3.501.1-144

СТ 13  Портальные стенки по Серии 3.501.1-144.