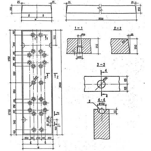
ПФ 35.15 Плиты фундаментов под трансформаторы

Чертеж изделия:
Характеристики изделия:
ПараметрЗначение
длина3500 мм
ширина1500 мм
высота250 мм
масса3280 кг
нормативный документСерия 3.407.1-157

ПФ 35.15  Плиты фундаментные по Серии 3.407.1-157.