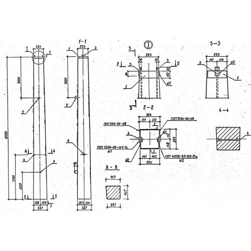
ВС-2 стойка

Чертеж изделия:
Характеристики изделия:
ПараметрЗначение
длина10500 мм
ширина417 мм
высота407 мм
масса3250 кг
нормативный документСерия 3.407-102

ВС-2  Стойки вибропрессованные Серия 3.407-102.