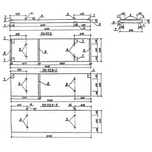
ПН-2 плита для маслосборников и огнезащитной стенки

Чертеж изделия:
Характеристики изделия:
ПараметрЗначение
длина3250 мм
ширина890 мм
высота100 мм
масса725 кг
нормативный документСерия 3.407-102

ПН-2 Плита для крунов Серия 3.407-102.