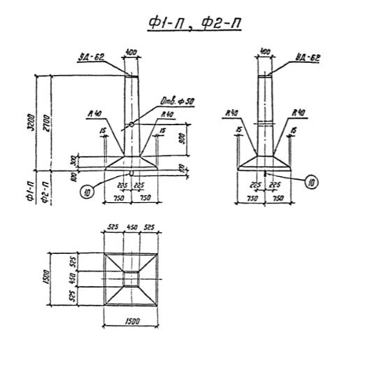
Ф 1 фундамент под опоры
Характеристики изделия:
| Параметр | Значение |
|---|---|
| длина | 1500 мм |
| ширина | 1500 мм |
| высота | 3200 мм |
| масса | 2500 кг |
| нормативный документ | Серия 3.407-102 |
Цена:
Рассчитать стоимостьФ 1 Фундаменты Серия 3.407-102.
| Параметр | Значение |
|---|---|
| длина | 1500 мм |
| ширина | 1500 мм |
| высота | 3200 мм |
| масса | 2500 кг |
| нормативный документ | Серия 3.407-102 |
Ф 1 Фундаменты Серия 3.407-102.