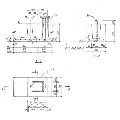
Ф 3 фундамент плиты забора

Чертеж изделия:
Характеристики изделия:
ПараметрЗначение
длина700 мм
ширина400 мм
высота380 мм
масса160 кг
нормативный документСерия 3.017-1

Ф 3   Железобетонные фундаменты  оград Серия 3.017-1.