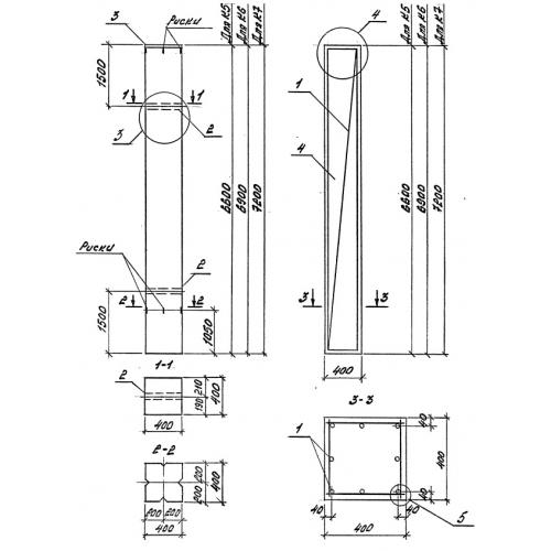
К 7

Чертеж изделия:
Характеристики изделия:
ПараметрЗначение
длина7200 мм
ширина400 мм
высота400 мм
масса2900 кг
нормативный документСерия 3.015-16.94

К 7  Колонны бетонные Серия 3.015-16.94.