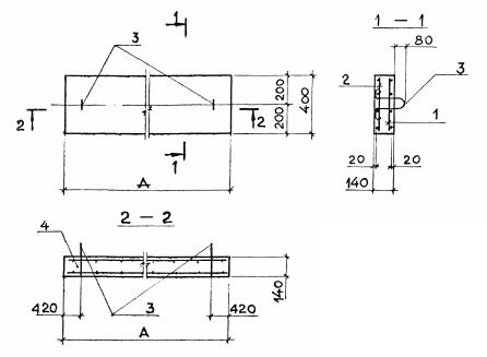
ПП 11 плита

Чертеж изделия:
Характеристики изделия:
ПараметрЗначение
длина3850 мм
ширина400 мм
высота140 мм
масса540 кг
нормативный документСерия 3.006.1-8

ПП 11  Плоские подкладки под стыки сборных элементов канала Серия 3.006.1-8.