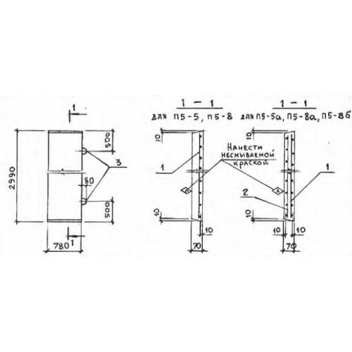
П 5 плиты лотков

Чертеж изделия:
Характеристики изделия:
ПараметрЗначение
длина2990 мм
ширина780 мм
высота70 мм
масса410 кг
нормативный документСерия 3.006.1-2/87

П 5 Плиты перекрытия лотков Серия 3.006.1-2/87.