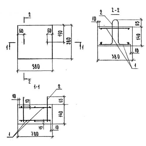
ОП 4-4

Чертеж изделия:
Характеристики изделия:
ПараметрЗначение
длина380 мм
ширина380 мм
высота140 мм
масса50 кг
нормативный документСерия 1.869.1-1

ОП 4-4  Железобетоные опорные подушки Серия 1.869.1-1.