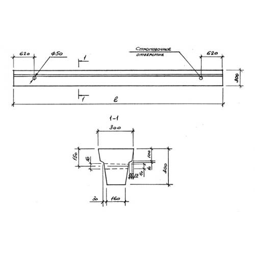
2БФ 2.4

Чертеж изделия:
Характеристики изделия:
ПараметрЗначение
длина2350 мм
ширина300 мм
высота300 мм
вес400 кг
серия1.815.1-1

2БФ 2.4 Балки фундаментные по серии 1.815.1-1.