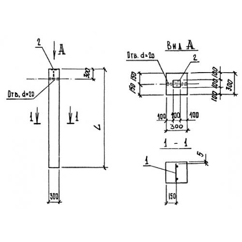
УБ 12.30

Чертеж изделия:
Характеристики изделия:
ПараметрЗначение
длина1185 мм
ширина300 мм
высота300 мм
вес270 кг
серия1.432.1-20

УБ 12.30 Блоки угловые по серии 1.432.1-20.