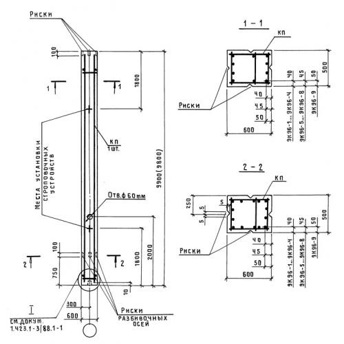
9К 96 колонны

Чертеж изделия:
Характеристики изделия:
ПараметрЗначение
длина9900 мм
ширина500 мм
высота600 мм
масса7400 кг
нормативный документСерия 1.423.1-3/88

9К 96 Колонны Серия 1.423.1-3/88.