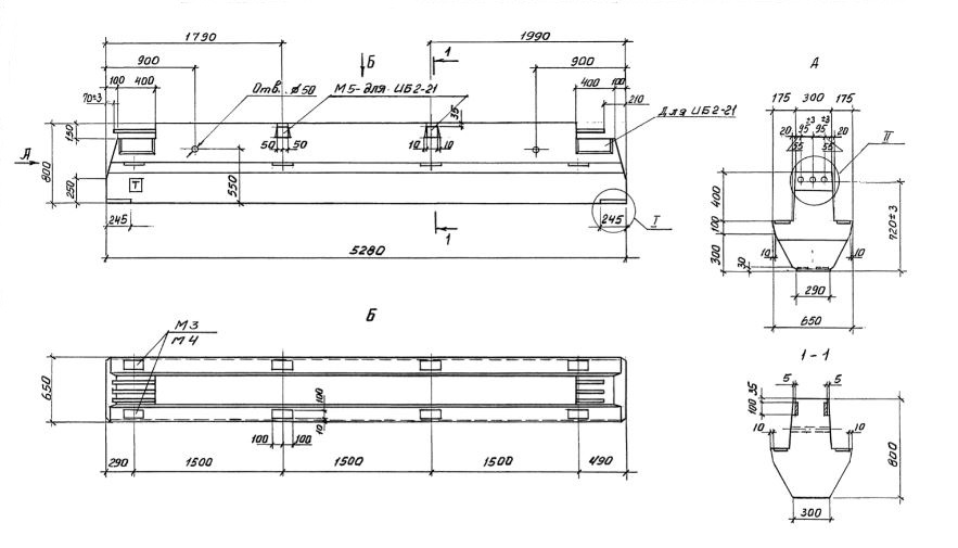
ИБ 2 ригели

Чертеж изделия:
Характеристики изделия:
ПараметрЗначение
длина5280 мм
ширина650 мм
выота800 мм
масса4200 кг
нормативный документСерия 1.420-35.95

ИБ 2  Ригели с полками для опирания плит  Серия 1.420-35.95.