П 63.10

Чертеж изделия:
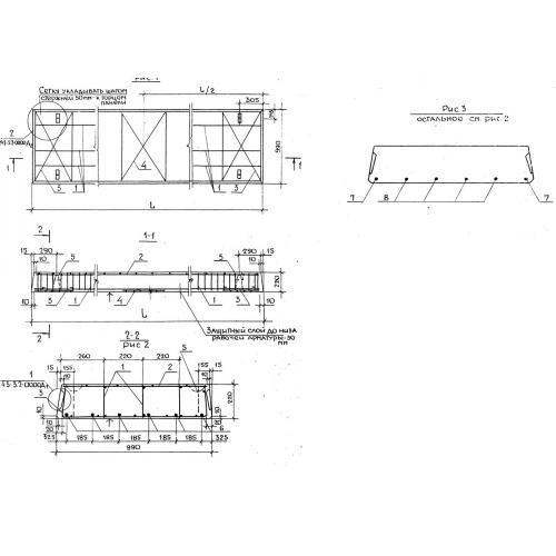
Характеристики изделия:
ПараметрЗначение
длина6280 мм
ширина990 мм
высота220 мм
вес3358 кг
серия1.243-3

П 63.10 Плиты перекрытия беспустотные по серии 1.243-3.