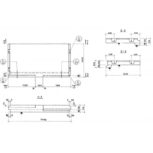
ЛП-30.15

Чертеж изделия:
Характеристики изделия:
ПараметрЗначение
длина2980 мм
ширина1600 мм
высота320 мм
вес2450 кг
серия1.152-7

ЛП-30.15 Лестничные площадки ребристые по серии 1.152-7.