1ПР 25

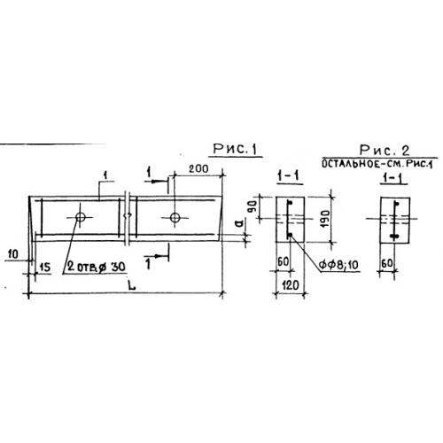
Чертеж изделия:
Характеристики изделия:
ПараметрЗначение
длина2590 мм
ширина120 мм
высота190 мм
вес150 кг
серия1.138-10

1ПР 25 Перемычки брусковые по серии 1.138-10.