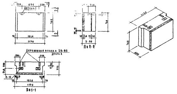
НБО-12.8.5

Чертеж изделия:
Характеристики изделия:
ПараметрЗначение
Длина1190 мм
Ширина520 мм
Высота760 мм
Масса830 кг
Нормативный документСерия 1.133-1

Стеновые легкобетонные блоки толщиной 60 см по Серии 1.133-1.

НБО-12.8.5  Подоконный блок.