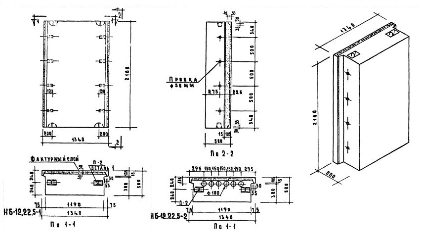
НБ-12.22.5-2

Чертеж изделия:
Характеристики изделия:
ПараметрЗначение
Длина1340 мм
Ширина500 мм
Высота2180 мм
Масса2405 кг
Нормативный документСерия 1.133-1

Стеновые легкобетонные блоки толщиной 50 см по Серии 1.133-1.

НБ-12.22.5-2   Простеночный блок.