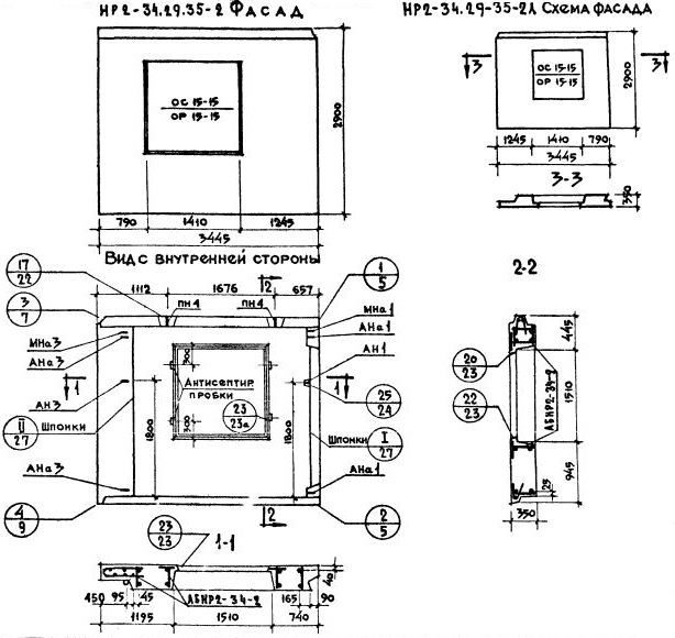
НР2-34.29.35-2

Чертеж изделия:
Характеристики изделия:
ПараметрЗначение
Длина3445 мм
Ширина350 мм
Высота2900 мм
Масса3510 кг
Нормативный документСерия 1.132-1

НР2-34.29.35-2   Наружная стеновая панель рядовая по Серии 1.132-1.