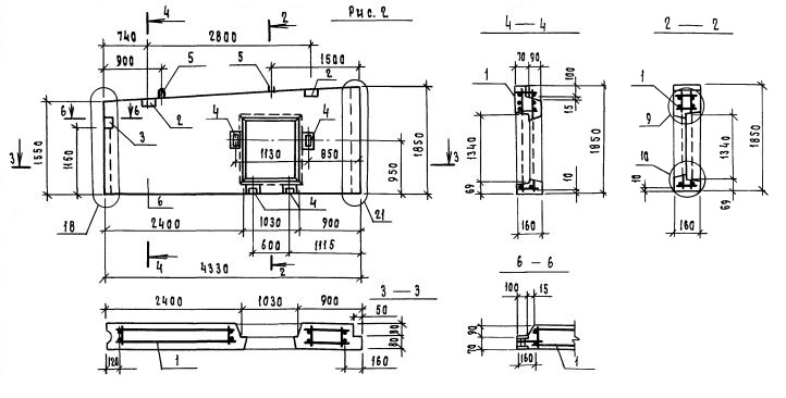
3ПСВ 43-19-16-1т-2л
Характеристики изделия:
| Параметр | Значение |
|---|---|
| длина | 4330 мм |
| ширина | 160 мм |
| высота | 1850 мм |
| масса | 2465 кг |
| нормативный документ | Серия 1.131.1-25 |
Цена:
Рассчитать стоимостьСерия 1.131.1-25
Маркировка:
1. 3 – группа панелей;
2. ПСВ – (буквенное обозначение панели) Панель стеновая внутренняя;
3. 43 – длина (в дм);
4. 19 – высота (в дм);
5. 16 – толщина (в см);
6. 1 – несущая способность;
7. т – бетон тяжелый;
8. 2 – тип проема.
л – левое исполнение.