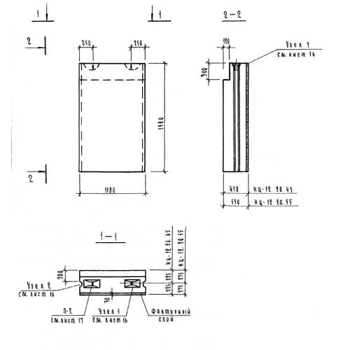
НЦ 12.20.55
Характеристики изделия:
| Параметр | Значение |
|---|---|
| длина | 1180 мм |
| ширина | 550 мм |
| высота | 1980 мм |
| вес | 2915 кг |
| серия | 1.116-5 |
Цена:
Рассчитать стоимостьНЦ 12.20.55 Наружные цокольные блоки по серии 1.116-5.
| Параметр | Значение |
|---|---|
| длина | 1180 мм |
| ширина | 550 мм |
| высота | 1980 мм |
| вес | 2915 кг |
| серия | 1.116-5 |
НЦ 12.20.55 Наружные цокольные блоки по серии 1.116-5.
