4 ОСП 32
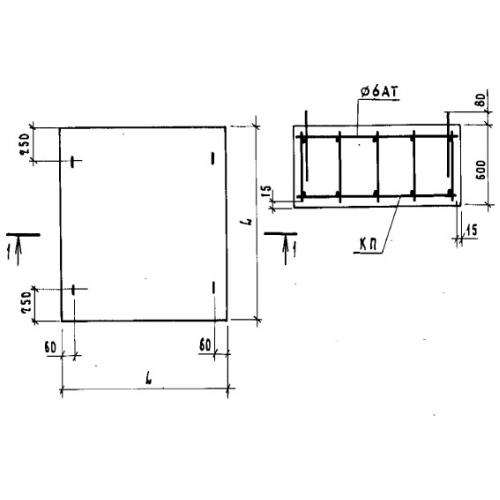
Характеристики изделия:
| Параметр | Значение |
|---|---|
| длина | 1500 мм |
| ширина | 1500 мм |
| высота | 600 мм |
| вес | 3380 кг |
| серия | 1.111.1-4 |
Цена:
Рассчитать стоимость4ОСП 32 Оголовки свайные с платформенным сопряжением по серии 1.111.1-4.
| Параметр | Значение |
|---|---|
| длина | 1500 мм |
| ширина | 1500 мм |
| высота | 600 мм |
| вес | 3380 кг |
| серия | 1.111.1-4 |
4ОСП 32 Оголовки свайные с платформенным сопряжением по серии 1.111.1-4.
