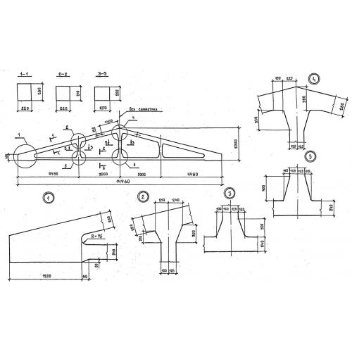
1ФТ 15

Чертеж изделия:
Характеристики изделия:
ПараметрЗначение
длина14960 мм
ширина220 мм
высота2320 мм
вес5300 кг
серия1.063.1-4

1ФТ 15 Фермы треугольные по серии 1.063.1-4.