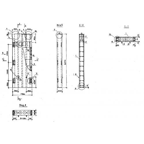
ВД 33-12-30 вентиляционные блоки

Чертеж изделия:
Характеристики изделия:
ПараметрЗначение
длина1180 мм
ширина300 мм
высота3270 мм
масса1930 кг
нормативный документСерия 1.034.1-1/90

ВД 33-12-30  Вентблоки-диафрагмы жесткости Серия 1.034.1-1/90.