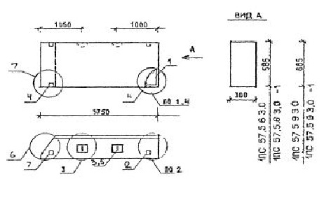
ПС 57.5.9.3.0 панели стеновые
Характеристики изделия:
| Параметр | Значение |
|---|---|
| длина | 5750 мм |
| ширина | 300 мм |
| высота | 885 мм |
| масса | 2200 кг |
| нормативный документ | Серия 1.030.1-1/88 |
Цена:
Рассчитать стоимостьПС 57.5.9.3.0 Панели стеновые Серия 1.030.1-1/88.
| Параметр | Значение |
|---|---|
| длина | 5750 мм |
| ширина | 300 мм |
| высота | 885 мм |
| масса | 2200 кг |
| нормативный документ | Серия 1.030.1-1/88 |
ПС 57.5.9.3.0 Панели стеновые Серия 1.030.1-1/88.