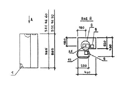
ПС 46.60.2.5 панели стеновые

Чертеж изделия:
Характеристики изделия:
ПараметрЗначение
длина460 мм
ширина250 мм
высота585 мм
масса120 кг
нормативный документСерия 1.030.1-1/88

ПС 46.60.2.5  Панели стеновые Серия 1.030.1-1/88.