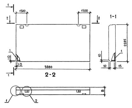
ПСЦ 60.23.25

Чертеж изделия:
Характеристики изделия:
ПараметрЗначение
длина5980  мм
ширина2285 мм
высота250 мм
масса4580 кг
нормативный документСерия 1.020.1-3пв

ПСЦ 60.23.25  Панели стеновые цокольные Серия 1.020.1-3пв.