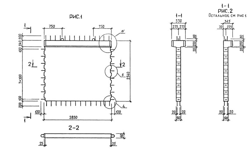
1Д 29.25

Чертеж изделия:
Характеристики изделия:
ПараметрЗначение
длина3090 мм
ширина345 мм
высота2940 мм
масса2890 кг
нормативный документСерия 1.020.1-3пв

1Д 29.25  Диафрагмы жесткости с одной полкой Серия 1.020.1-3пв.