Ф4

Чертеж изделия:
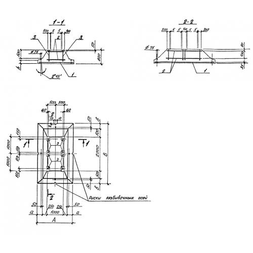
Характеристики изделия:
ПараметрЗначение
длина2400 мм
ширина3900 мм
высота800 мм
вес10000 кг
серия0-221-84

Ф3 Плита фундаментная по серии 0-221-84.